PRODUCT
Recommended Products
Positioning Mask Machine
Automatic KF94 Mask Machine
Flat One To One Mask Machine
CNC Machine Tool Loading And Unloading Robot
Gantry Truss Manipulator
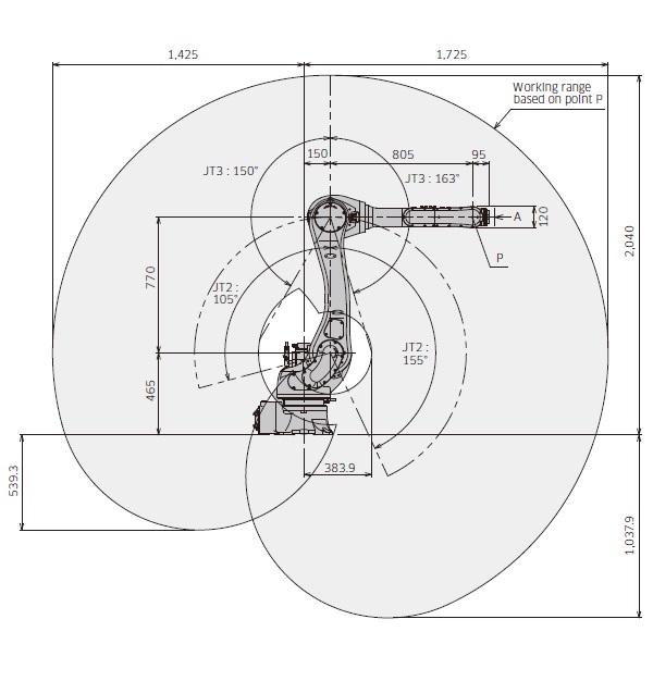
Kawasaki RS010N Handling And Palletizing Robot
Kawasaki CP180 Palletizing Robot
Kawasaki R050N Handling And Palletizing Robot
Kawasaki Welding Robot BA006N
Similar Products